Motor Face Mount Types . our electric motors can be ordered according to several different mounting methods, depending on the design and frame size. drawings represent standard tefc general purpose motors refer data section 502 for various models, open or tefc *d im e ns. nema (national electrical manufacturers association) developed a set of standards relating to electric motors that include. Below is a visual reference of typical electric motor mounting positions. O mounting types and their uses o industry dimensional. motor mounting types •overview/objectives: don't just assume you can bolt any motor in any orientation! there are various types of motor mounts which are available in the market and can be selected according to the type of position in which.
from www.flowfitonline.com
nema (national electrical manufacturers association) developed a set of standards relating to electric motors that include. don't just assume you can bolt any motor in any orientation! drawings represent standard tefc general purpose motors refer data section 502 for various models, open or tefc *d im e ns. Below is a visual reference of typical electric motor mounting positions. there are various types of motor mounts which are available in the market and can be selected according to the type of position in which. motor mounting types •overview/objectives: O mounting types and their uses o industry dimensional. our electric motors can be ordered according to several different mounting methods, depending on the design and frame size.
TEC Three Phase 400v Electric Motor, 9.2Kw 2 pole 3000rpm with face
Motor Face Mount Types O mounting types and their uses o industry dimensional. our electric motors can be ordered according to several different mounting methods, depending on the design and frame size. there are various types of motor mounts which are available in the market and can be selected according to the type of position in which. don't just assume you can bolt any motor in any orientation! Below is a visual reference of typical electric motor mounting positions. motor mounting types •overview/objectives: nema (national electrical manufacturers association) developed a set of standards relating to electric motors that include. O mounting types and their uses o industry dimensional. drawings represent standard tefc general purpose motors refer data section 502 for various models, open or tefc *d im e ns.
From news.thomasnet.com
NORD Gear Now Offers Standard NEMA CFace Motors and Brakemotors Motor Face Mount Types there are various types of motor mounts which are available in the market and can be selected according to the type of position in which. nema (national electrical manufacturers association) developed a set of standards relating to electric motors that include. motor mounting types •overview/objectives: drawings represent standard tefc general purpose motors refer data section 502. Motor Face Mount Types.
From webmotor.org
V1 Mounting Motor Means Motor Face Mount Types Below is a visual reference of typical electric motor mounting positions. our electric motors can be ordered according to several different mounting methods, depending on the design and frame size. drawings represent standard tefc general purpose motors refer data section 502 for various models, open or tefc *d im e ns. there are various types of motor. Motor Face Mount Types.
From www.surpluscenter.com
Electrical Motor Face Mount Types O mounting types and their uses o industry dimensional. motor mounting types •overview/objectives: there are various types of motor mounts which are available in the market and can be selected according to the type of position in which. our electric motors can be ordered according to several different mounting methods, depending on the design and frame size.. Motor Face Mount Types.
From www.mmengservices.co.uk
3.0kW (4.0hp) Three Phase Motor 6 Pole (1000 RPM) 132S Frame MM Motor Face Mount Types don't just assume you can bolt any motor in any orientation! our electric motors can be ordered according to several different mounting methods, depending on the design and frame size. Below is a visual reference of typical electric motor mounting positions. there are various types of motor mounts which are available in the market and can be. Motor Face Mount Types.
From www.flowfitonline.com
"TEC Single Phase 110v Electric Motor, 1.1Kw 2 pole 3000rpm with face Motor Face Mount Types there are various types of motor mounts which are available in the market and can be selected according to the type of position in which. don't just assume you can bolt any motor in any orientation! O mounting types and their uses o industry dimensional. our electric motors can be ordered according to several different mounting methods,. Motor Face Mount Types.
From www.grainger.com
U.S. MOTORS, Totally Enclosed FanCooled, Face Mount, General Purpose Motor Face Mount Types don't just assume you can bolt any motor in any orientation! nema (national electrical manufacturers association) developed a set of standards relating to electric motors that include. Below is a visual reference of typical electric motor mounting positions. O mounting types and their uses o industry dimensional. our electric motors can be ordered according to several different. Motor Face Mount Types.
From acmotorkitpicture.blogspot.com
Ac Motor Mounting Types Ac Motor Kit Picture Motor Face Mount Types motor mounting types •overview/objectives: don't just assume you can bolt any motor in any orientation! our electric motors can be ordered according to several different mounting methods, depending on the design and frame size. O mounting types and their uses o industry dimensional. drawings represent standard tefc general purpose motors refer data section 502 for various. Motor Face Mount Types.
From compressor-source.com
2 HP Electric Motor Single Phase 56HC Frame 3450 RPM TEFC 115 / 230V C Motor Face Mount Types motor mounting types •overview/objectives: don't just assume you can bolt any motor in any orientation! nema (national electrical manufacturers association) developed a set of standards relating to electric motors that include. our electric motors can be ordered according to several different mounting methods, depending on the design and frame size. drawings represent standard tefc general. Motor Face Mount Types.
From www.indiamart.com
Flange Mounting Motor at Rs 3400 Flange Mounted Motor in Coimbatore Motor Face Mount Types motor mounting types •overview/objectives: drawings represent standard tefc general purpose motors refer data section 502 for various models, open or tefc *d im e ns. nema (national electrical manufacturers association) developed a set of standards relating to electric motors that include. there are various types of motor mounts which are available in the market and can. Motor Face Mount Types.
From www.flowfitonline.com
TEC Three Phase 400v Electric Motor, 3.0Kw 2 pole 3000rpm with face Motor Face Mount Types motor mounting types •overview/objectives: O mounting types and their uses o industry dimensional. drawings represent standard tefc general purpose motors refer data section 502 for various models, open or tefc *d im e ns. our electric motors can be ordered according to several different mounting methods, depending on the design and frame size. don't just assume. Motor Face Mount Types.
From shop.bristolbotbuilders.com
Pair of 22mm BBB Beetleweight Motor Face Mounts BBB Shop Motor Face Mount Types nema (national electrical manufacturers association) developed a set of standards relating to electric motors that include. don't just assume you can bolt any motor in any orientation! our electric motors can be ordered according to several different mounting methods, depending on the design and frame size. there are various types of motor mounts which are available. Motor Face Mount Types.
From www.encoder.com
Stainless Steel ThruBore Encoder Fits NEMA Motor Faces Encoders Motor Face Mount Types Below is a visual reference of typical electric motor mounting positions. don't just assume you can bolt any motor in any orientation! our electric motors can be ordered according to several different mounting methods, depending on the design and frame size. there are various types of motor mounts which are available in the market and can be. Motor Face Mount Types.
From inverterdrive.com
TEC 0.12kW (0.16HP) 4 Pole 230V/400V 3ph B14 Face Mount AC Motor 56 Motor Face Mount Types don't just assume you can bolt any motor in any orientation! nema (national electrical manufacturers association) developed a set of standards relating to electric motors that include. drawings represent standard tefc general purpose motors refer data section 502 for various models, open or tefc *d im e ns. O mounting types and their uses o industry dimensional.. Motor Face Mount Types.
From www.sanitaryfittings-cad.com
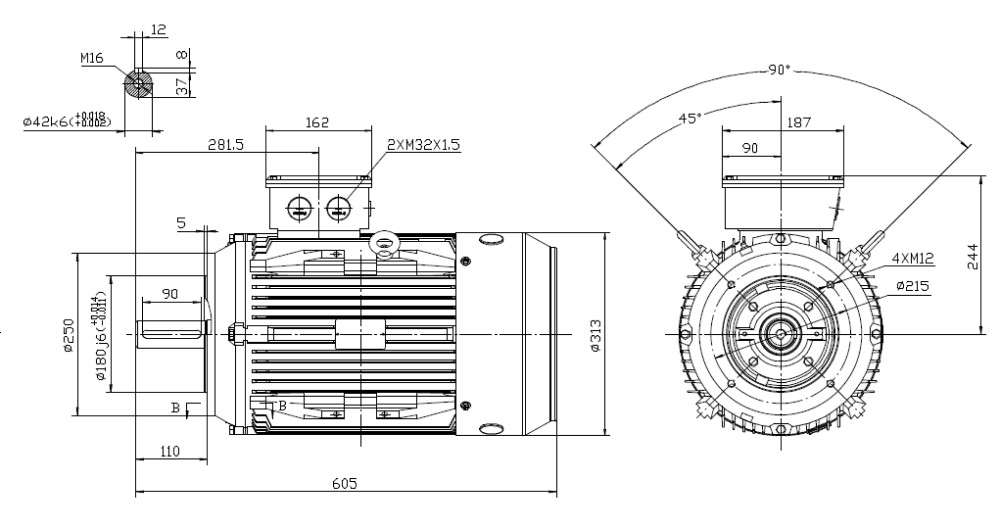
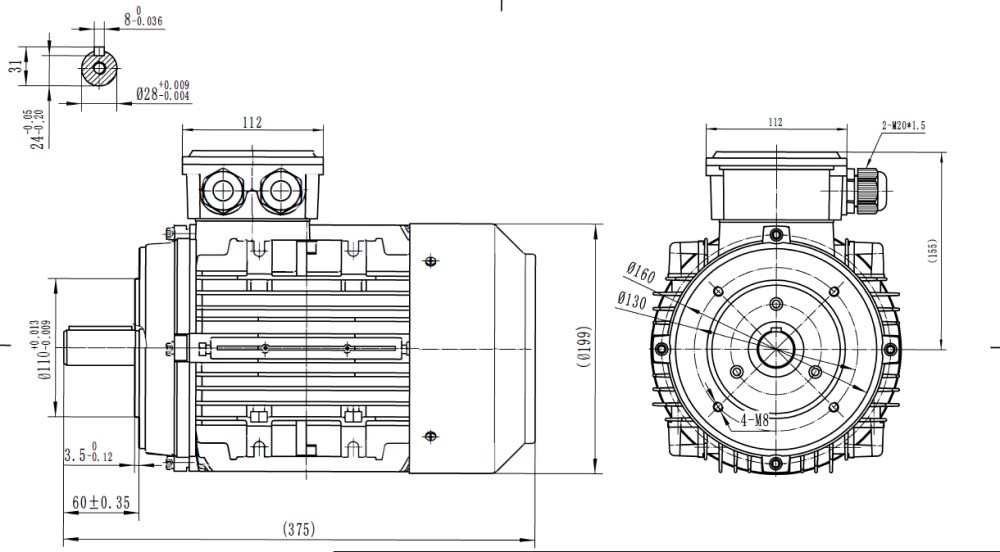
IEC Electric Motors B14 Face mount CAD models for engineers Motor Face Mount Types our electric motors can be ordered according to several different mounting methods, depending on the design and frame size. there are various types of motor mounts which are available in the market and can be selected according to the type of position in which. motor mounting types •overview/objectives: Below is a visual reference of typical electric motor. Motor Face Mount Types.
From www.sanitaryfittings-cad.com
IEC Electric Motors B14 Face mount CAD models for engineers Motor Face Mount Types drawings represent standard tefc general purpose motors refer data section 502 for various models, open or tefc *d im e ns. there are various types of motor mounts which are available in the market and can be selected according to the type of position in which. don't just assume you can bolt any motor in any orientation!. Motor Face Mount Types.
From inverterdrive.com
TEC Electric 0.37kW (0.5HP) 4 Pole AC Induction Motor 3ph 230V/400V B14 Motor Face Mount Types our electric motors can be ordered according to several different mounting methods, depending on the design and frame size. motor mounting types •overview/objectives: drawings represent standard tefc general purpose motors refer data section 502 for various models, open or tefc *d im e ns. nema (national electrical manufacturers association) developed a set of standards relating to. Motor Face Mount Types.
From www.flowfitonline.com
TEC Three Phase 400v Electric Motor, 15.0Kw 4 pole 1500rpm with face Motor Face Mount Types don't just assume you can bolt any motor in any orientation! O mounting types and their uses o industry dimensional. motor mounting types •overview/objectives: our electric motors can be ordered according to several different mounting methods, depending on the design and frame size. there are various types of motor mounts which are available in the market. Motor Face Mount Types.
From onebyzeroelectronics.blogspot.com
What are the different Mounting Positions of Electrical Motors ? One Motor Face Mount Types there are various types of motor mounts which are available in the market and can be selected according to the type of position in which. our electric motors can be ordered according to several different mounting methods, depending on the design and frame size. O mounting types and their uses o industry dimensional. motor mounting types •overview/objectives:. Motor Face Mount Types.